浙江明飞电气公司
浙江省乐清市
乐清经济开发区
183 6872 2777
微信同号
9:00-18:00
周一至周六
网站首页
关于我们
产品中心
全部
彩 钢 板
全 金 属
美 式 变
雕 花 板
景 观 型
彩 绘 型
开 闭 所
新闻资讯
全部
公司动态
行业资讯
媒体报道
人力资源
全站搜索
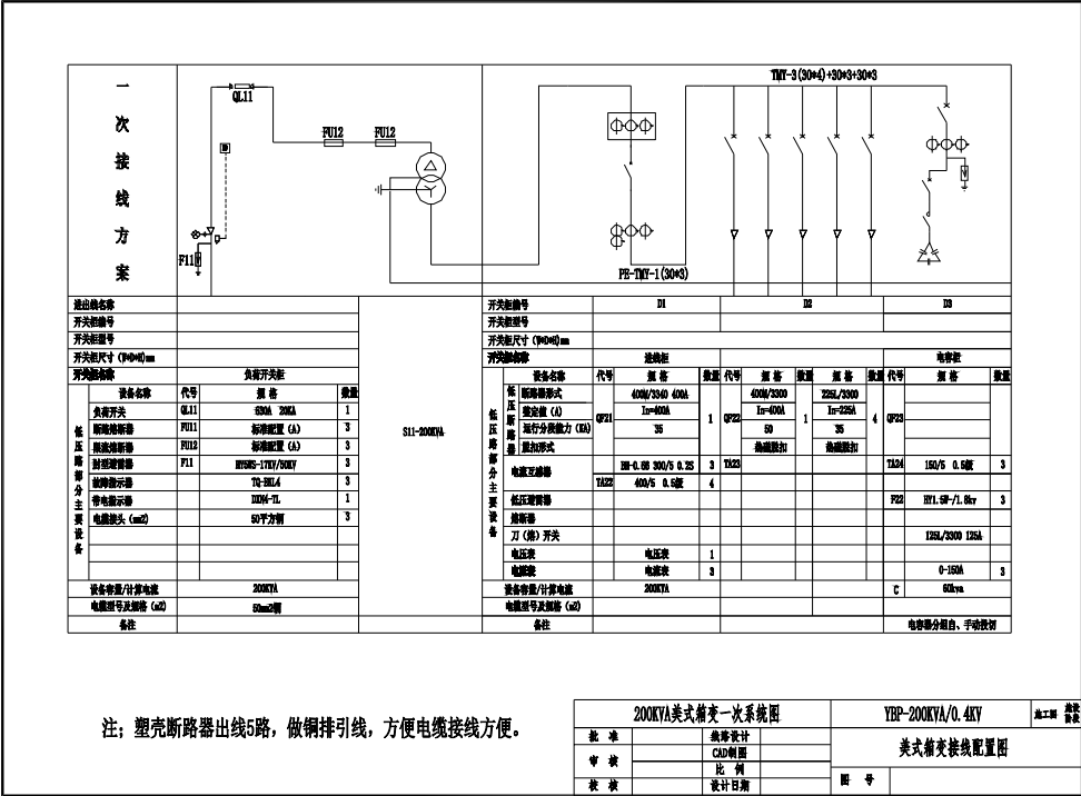
美式箱变一次系统图
2023-03-06 10:23:19
常规美式箱变一次图:
上一页
: 美式箱变:美变壳体基础图
下一页
: 美变壳体、美式箱变尺寸图
电话咨询
邮件咨询
在线地图
QQ客服